Cách cài đặt, đấu nối biến tần iC5 LS
Biến tần Starvert iC5 LS là dòng biến tần nhỏ gọn và kinh tế với thiết kế mạnh mẽ, tối ưu hóa về hiệu suất, sẵn sàng đáp ứng được hầu hết mọi nhu cầu của khách hàng. iC5 LS có dải công suất từ 0.37KW – 2.2KW, đầu vào 1 pha từ 200 – 240 VAC, đầu ra 3 pha từ 200 – 240 VAC
Biến tần Starvert iC5 LS là dòng biến tần nhỏ gọn và kinh tế với thiết kế mạnh mẽ, tối ưu hóa về hiệu suất, sẵn sàng đáp ứng được hầu hết mọi nhu cầu của khách hàng. iC5 LS có dải công suất từ 0.37KW – 2.2KW, đầu vào 1 pha từ 200 – 240 VAC, đầu ra 3 pha từ 200 – 240 VAC, và được tích hợp giao tiếp Modbus-RTU ứng dụng rộng rãi trong hệ thống bơm, quạt, máy dệt, máy giặt, PID control, băng tải, space vector, PWM, máy đùn..…
Cách cài đặt các thông số trong biến tần iC5 LS
Dòng IC5 LS có 4 nhóm: Drive Group 0.0, Function Group 1 F 0, Function Group 2 H 0 , I/O Group I 0 sử dụng phím mũi tên để luân chuyển giữa các thông số.

Drive Group
0.0: Freq Command (cài đặt tần số chạy Hz)
ACC: Thời gian giảm tốc
DEC: Thời gian tăng tốc
Drv 0: Keypad (chạy, dừng bằng màn hình)
1: Terminal (chạy bằng chân digital input P)
Frq 0: Keypad 1 (tăng, giảm tốc độ trên màn hình)
2: Tăng, giảm tốc độ bằng núm vặn trên màn hình biến tần
3: Tăng, giảm tốc độ bằng biến trở (chân giữa của biến trở nối vào V1, 2 chân còn lại nối vào VR và CM)
4: Tăng, giảm tốc độ bằng tín hiệu 0-20mA
Function Group 1
F21: Max Fred (cài đặt tần số cao nhất)
F22: Base Fred (nhập tần số động cơ, xem trên nhãn động cơ)
F50: Electronic thermal trip (bảo vệ quá nhiệt, cài lên 1)
Function Group 2
H20: Power On Start (cấp nguồn chạy biến tần (với điều kiện Drv cài lên 1 hoặc 2, nối tắt giữa CM và P1 hoặc P2))
H30: Motor select capacity (chọn công suất động cơ, xem trên nameplate động cơ)
H93: Parameter initialize (đưa thông số về mặc định nhà máy, cài lên 1)



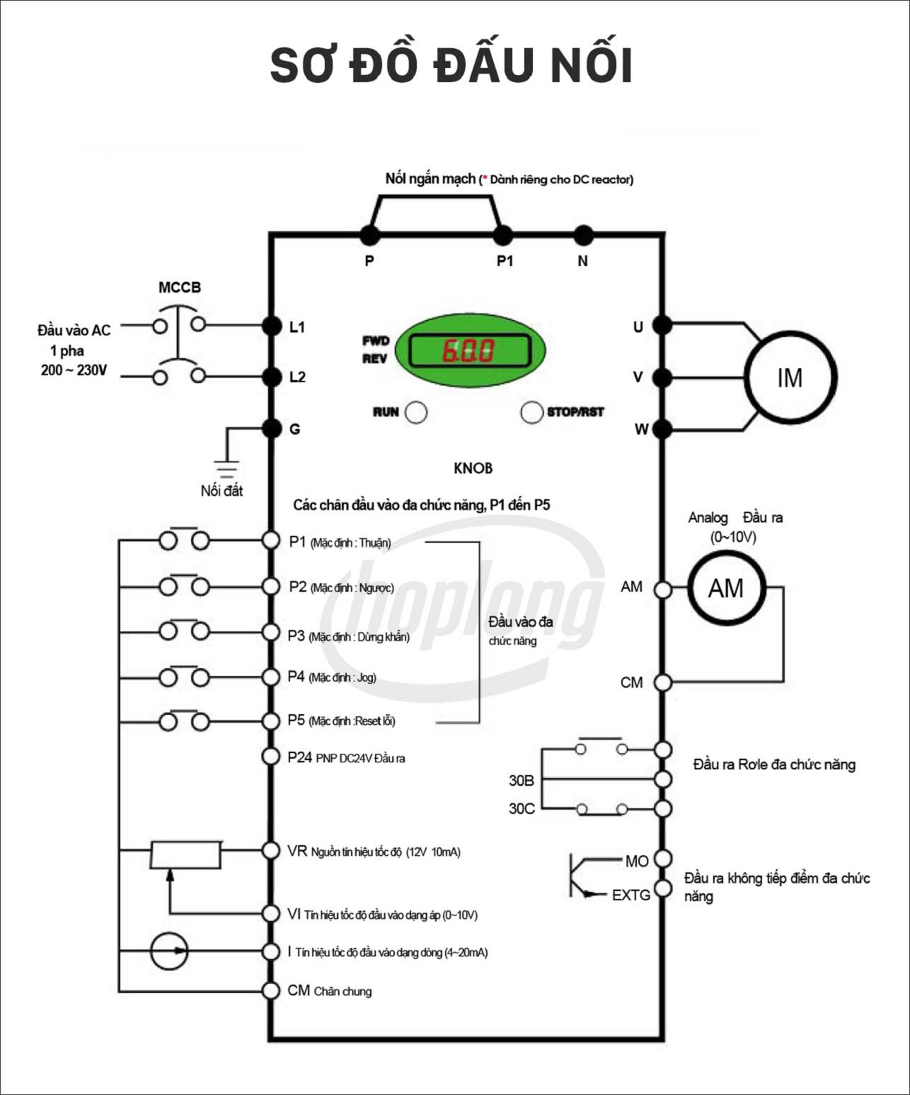
2, Sơ đồ đấu nối biến tần iC5 LS

Sơ đồ đấu nối biến tần iC5 LS
Xem ngay:
Hướng dẫn cài đặt, đấu nối Starvert IE5 LS
Lỗi thường gặp ở biến tần VFD-E và cách khắc phục
Share
Để lại bình luận của bạn
Chưa có bình luận nào!