Chi tiết cách đấu dây Rơ le trung gian
Rơ le trung gian có chức năng gần giống như công tắc đóng ngắt thiết bị, gồm 2 trạng thái thường đóng (NC) và thường mở (NO).
Rơ le hay còn được với tên gọi khác là Relay trong Tiếng Anh. Thiết bị này có chức năng gần giống như công tắc đóng ngắt thiết bị. Thông thường một Rơ le sẽ có 2 trạng thái là thường đóng (NC) và thường mở (NO). Khi có xung kích hoạt vào thì 2 trạng thái này sẽ được chuyển đổi liên tục.
Trong công nghiệp tự động hóa hiện nay, Rơ le được ứng dụng phổ biến trong các mạch điện, tủ điện, biến tần,..... Dựa theo đó, người ta phân loại Rơ le thành 3 loại phổ biến là: rơ le trung gian, rơ le nhiệt và rơ le thời gian. Trong nội dung bài viết này, HopLongTech sẽ giới thiệu chi tiết cách đối dây Rơ le trung gian cho bạn đọc tham khảo.
Phân loại Rơ le trung gian
Rơ le trung gian hiện được phân loại dựa vào mức điện áp hoạt động và số chân tiếp điểm.
- Mức điện áp trong công nghiệp rơ le sử dụng thường là 5VDC, 12VDC, 24VDC hoặc 220VAC.
- Số chân tiếp điểm thì có loại 1 tiếp điểm, 2 tiếp điểm, 4 tiếp điểm..... Tùy vào rơ le loại nào mà chúng ta sẽ có cách đấu dây sao cho phù hợp nhất.
Hướng dẫn đấu nối Rơ le trung gian
Đấu dây cho rơ le trung gian 5 chân
Rơ le trung gian 5 chân là loại Rơ le được sử dụng phổ biến nhất hiện nay. Trong đó, 2 chân sẽ được dùng để cấp nguồn, 3 chân còn lại thì 1 chân chung, 2 chân tiếp điểm NO NC. Dựa vào ký hiện trên thiết bị hoặc sử dụng VOM đo thì chúng ta có thể xác định các chân này.

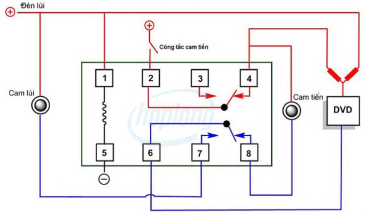
Đấu dây cho rơ le trung gian 8 chân
Theo sơ đồ đấu relay 8 chân bên dưới, ta sẽ thấy có 2 cặp tiếp điểm thường đóng và thường mở. Theo sơ đồ, ta sẽ đấu cấp nguồn 12 – 24 – 220V tùy loại vào chân số 1 và 5 của cuộn dây. Trong đó, 2 cặp thường đóng là 2-3 và 6-7, 2 cặp tiếp điểm thường mở 2-4 và 6-8.

Ứng dụng của Rơ le trung gian trong thực tế
Với nhiều ưu điểm vượt trội, độ chính xác và độ bền cao, Rơ le trung gian được sử dụng rất phổ biến hiện nay từ dân dụng đến công nghiệp. Với kích thước nhỏ gọn, chi phí phải chăng, Rơ le trung gian cho phép dễ dàng thay thế, tháo lắp. Hiện Relay này chủ yếu được ứng dụng trong các lĩnh vực:
- Điều khiển nhiệt độ, độ ẩm
- Giám sát áp suất trong đường ống
- Theo dõi mức nhiên liệu nguyên liệu
- Theo dõi mức nước trong tank chứa….
Share
Để lại bình luận của bạn
Chưa có bình luận nào!