Nguyên lý bảo vệ quá dòng điện
Nguyên lý bảo vệ quá dòng điện dựa trên việc phát hiện khi dòng điện trong hệ thống vượt quá giá trị cho phép, thường do hiện tượng ngắn mạch hoặc quá tải.
Quá dòng điện là hiện tượng xảy ra khi dòng điện chạy qua phần tử của hệ thống điện mà vượt quá trị số dòng điện tải lâu dài cho phép. Đây là loại bảo vệ tác động khi dòng điện đi qua chỗ đặt thiết bị bảo vệ tăng quá giá trị được định trước. Bài viết nguyên lý bảo vệ quá dòng điện dưới đây sẽ giúp hiểu sâu hơn vấn đề, mời bạn cùng khám phá.
Nguyên lý bảo vệ quá dòng điện
Quá dòng điện có thể xảy ra khi xuất hiện hiện tượng ngắn mạch hoặc do quá tải. Dựa trên nguyên lý của hiện tượng quá dòng điện, người ta đã chế tạo ra cầu chì với chức năng để bảo vệ các phần tử trong lưới điện. Hiện nay, để tối ưu hóa cho việc bảo vệ dòng điện thì người ta có các: bộ bảo vệ dòng điện, áp tô mát, rơ le bảo vệ dòng eocr ......
Chọn máy biến dòng điện cho bảo vệ
Định mức thứ cấp của BI được tiêu chuẩn hoá là 5A hoặc 1A.

Bảo vệ quá dòng điện cắt nhanh
Cần xác định dòng ngắn mạch sơ cấp cực đại chạy qua chổ đặt bảo vệ khi ngắn mạch ngoài (INngmax) trong hình.

Bảo vệ quá dòng cắt nhanh có nhược điểm là không bảo vệ được toàn bộ đối tượng điện, khi xảy ra hiện tượng ngắn mạch ở cuối phần tue, bảo vệ cắt nhanh không tác động được. Hơn nữa, vùng bảo vệ có thể được thay đổi tùy theo chế độ làm việc của hệ thống và dạng ngắn mạch khi thay đổi.
Bảo vệ quá dòng có thời gian
Xác định dòng khởi động của bảo vệ

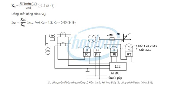
Bảo vệ dòng thứ tự nghịch
Để tăng độ nhạy cho BVQIKU, cần sử dụng kết hợp với BVI2 khi đó, bảo vệ quá dòng chỉ bố trí ở một pha để chống ngắn mạch ba pha và độ nhạy được kiểm tra theo dòng ngắn mạch ba pha thứ cấp

Hợp Long địa chỉ số 1 Việt Nam chuyên phân phối tất cả các dòng biến tần từ các hãng hàng đầu: Schneider, LS, Delta, Mitsubishi......Chúng tôi có trụ sở, chi nhánh ở tất cả các thành phố lớn: Hà Nội, TP HCM, Hải Phòng, Cần Thơ, Đà Nẵng ...... sẵn sàng phục vụ 24/7 ngay khi quý khách có nhu cầu sử dụng các thiết bị điện công nghiệp, thiết bị tự động hóa.
Share
Để lại bình luận của bạn
Chưa có bình luận nào!