Sơ đồ cài đặt, đấu nối biến tần iP5A LS
Biến tần Starvert iP5A LS là dòng biến tần có khả năng đáp ứng các chức năng tiêu chuẩn cho hoạt động của quạt và bơm. Dòng iP5A LS giúp tối ưu hoá hiệu suất cho bơm, quạt, từ đó tiết giảm chi phí đầu tư cho hệ thống.
Sơ đồ hướng dẫn cài đặt biến tần iP5A LS
Sơ đồ cài đặt, đấu nối biến tần iP5A LS gồm có 4 nhóm: Drive Group DRV, Function Group 1 FU1, Function Group 2 FU2 và I/O Group I/O dùng phím MODE và mũi tên để luân chuyển giữa các thông số.

DRV Group
- DRV_00: Freq Command (cài đặt tần số chạy Hz)
- DRV_01: Thời gian tăng tốc
- DRV_02: Thời gian giảm tốc
- DRV_03: 0: Keypad (chạy, dùng bằng màn hình)
1: Terminal (chạy bằng chân digital input P)
DRV_04 0: keypad 1 (tăng, giảm tốc độ trên màn hình)
1: Keypad ngoài
2: Tăng, giảm tốc độ bằng biến trở
4: Tăng, giảm tốc độ bằng tín hiệu 0-20mA
FUI Group
- FUI_29: Power Source Freq (nhập tần số lưới điện: 50Hz)
- FUI_30: Max Freq (cài đặt tần số cao nhất)
- FUI_31: Base Freq (nhập tần số động cơ, xem trên nhãn động cơ)
- FUI_50: Motor rated voltage (điện áp động cơ, xem trên nhãn động cơ)
- FUI_60: Electronic Thermal selection (bảo vệ quá nhiệt - cài lên 1)
- FUI_66: Overload trip selection (bảo vệ quá tải - cài lên 1)
FUI2 Group
- FU2_20: Power ON Start (((Cấp nguồn chạy biến tần (với điều kiện Drv_03 cài lên 1, nối tắt giữa CM và M7 hoặc M8))
- FU2_40: Motor select capacity (chọn công suất động cơ, xem trên nhãn động cơ)
- FU2_43: Motor rated current (dòng điện định mức động cơ, xem trên nhãn động cơ)
- FU2_93: Parameter initialize (đưa thông số về mặc định nhà sản xuất, cài lên 1)
I/O Group
- I/O_03: tần số tương ứng với điện áp điều khiển vào (0V)
- I/O_05: tần số tương ứng với điện áp điều khiển vào (10)
Điều khiển PID - trình tự cài đặt PID
- B1: Chọn APP_02 lên 1 (lựa chọn PID chạy)
Vào DRV_03: lựa chọn cách ON/OFF cho biến tần:
+0: nhập từ màn hình
+1: chạy/dừng bằng nút nhấn ngoài (Fx/Rx-1)
- B2: APP-04 ta chọn 1, sau đó APP-05: cách nhập tham chiếu PID
+0: nhập từ màn hình
+2: nhập từ tín hiệu V1
+4: nhập từ tín hiệu 1
- B3: App-06: PID hồi tiếp (VD: tín hiệu hồi tiếp từ cảm biến áp suất (4-20mA) thì ta chọn 1)
+0: hồi tiếp tín hiệu dòng (4-20mA)
+1: hồi tiếp tín hiệu áp (0-10V)
- B4: App-14: đặt giới hạn tần số, APP-15: đặt giới hạn tần số thấp (thường khoảng 20-30Hz)
- B5: APP-27: thời gian chạy ở tần số ngủ trước khi ngủ
- B6: APP-28: Nhập tần số ngủ (là tần số mà biến tần chạy ở tốc độ thấp hơn hoặc bằng tần số này với thời gianAPP-27 thì biến tần sẽ ngủ (VD: ta đặt tần số thấp ở 20Hz, khi mức phản hồi về cao hơn mức ngưỡng đặt, biến tần sẽ giảm về tần số thấp, sau thời gian APP-27 biến tần sẽ chuyển qua chế độ ngủ nếu ta cài APP-28 cao hơn giá trị ở APP-15 (VD 21Hz)
- B7: APP-29 mức thức dậy của biến tần (%) là mức được tính như sau: Lấy mức tham chiếu trừ đi mức đặt ở APP-29. (VD: mứ tham chiếu là 5Bar thì khi ta cài APP-29 là 2% thì mứ thức dậy sẽ là 5-2=3bar)
- B8: I/O-86: Chọn đơn vị (%bar/Pa.....), I/O-87: chọn đơn vị lớn nhất (ta chọn 100% hoặc 10% tương ứng với đơn vị % hoặc bar)
- B9: I/O-20: Cài sang open-loop (chuyển từ PID sang U/F) ta đưa tín hiệu vào chân MI để chuyển từ PID sang chạy bình thường


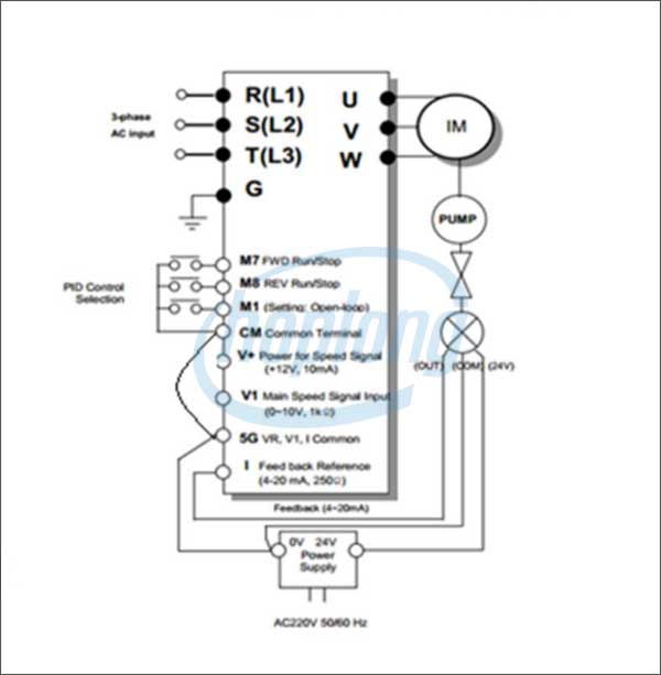
Sơ đồ đấu nối biến tần IP5A

Sơ đồ đấu nối biến tần IP5A
Xem ngay:
Cách cài đặt, đấu nối biến tần iC5 LS
Hướng dẫn cài đặt, đấu nối Starvert IE5 LS
Chi tiết cách cài đặt biến tần iG5A LS
Share
Để lại bình luận của bạn
Chưa có bình luận nào!